产品名称:GDX系列静音立式管道泵 静音离心泵 冷水泵 冻水泵 高温泵
产品简介:GDX型泵管道式安装的立式单级单吸清水离心泵。广泛应用于农业给排水、自来水加压、高层建筑消防生活供水以及空调冷暖循环系统。
本系列产品主要供吸送稀释的、清洁的、不腐蚀的清水及物理化学性质类似水不含固体颗粒或纤维的液体。
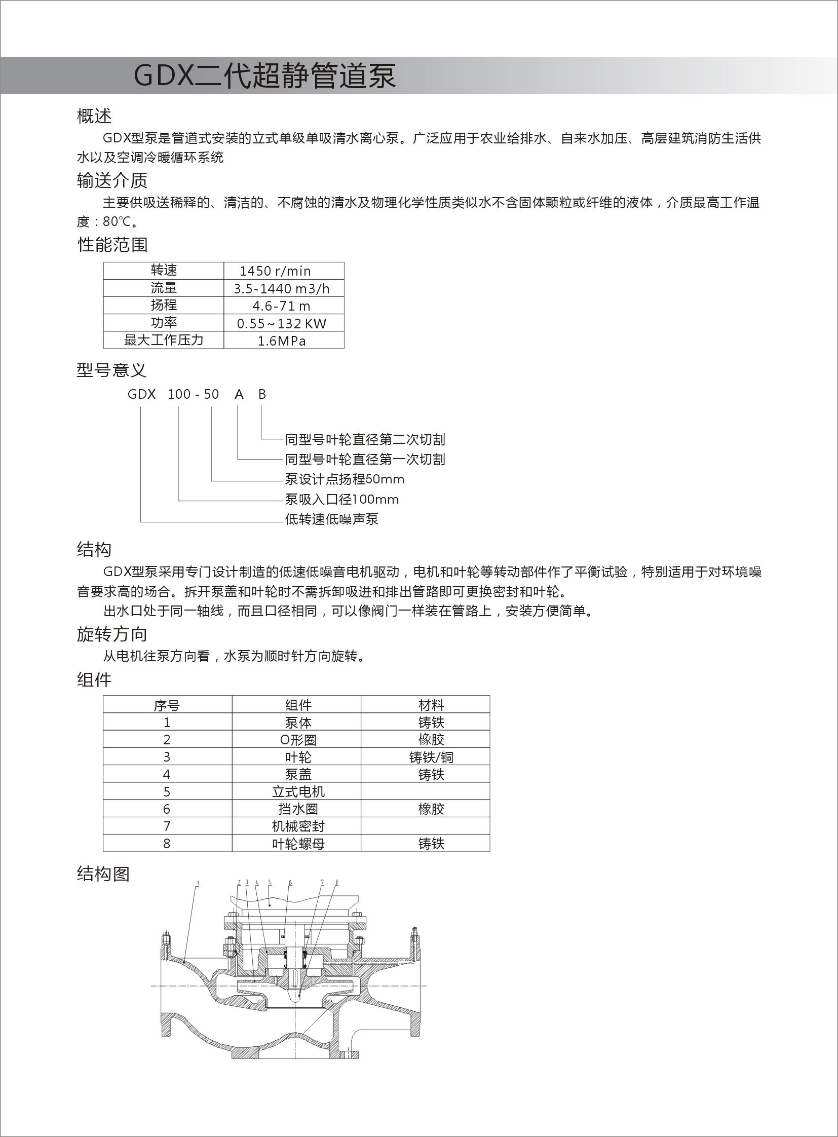
GDX型泵采用专门设计制造的低速低噪音电机驱动,电机和叶轮等转动部件作了平衡试验,特别适用于对环境噪音要求高的场合。
★ 拆开泵盖和叶轮时不需拆卸吸进和排出管路即可更换密封和叶轮。
★ 出水口处于同一轴线,而且口径相同,可以像阀门一样装在管路上,安装方便简单。
★ 旋转方向:从电机往泵方向看,水泵为顺时针方向旋转。