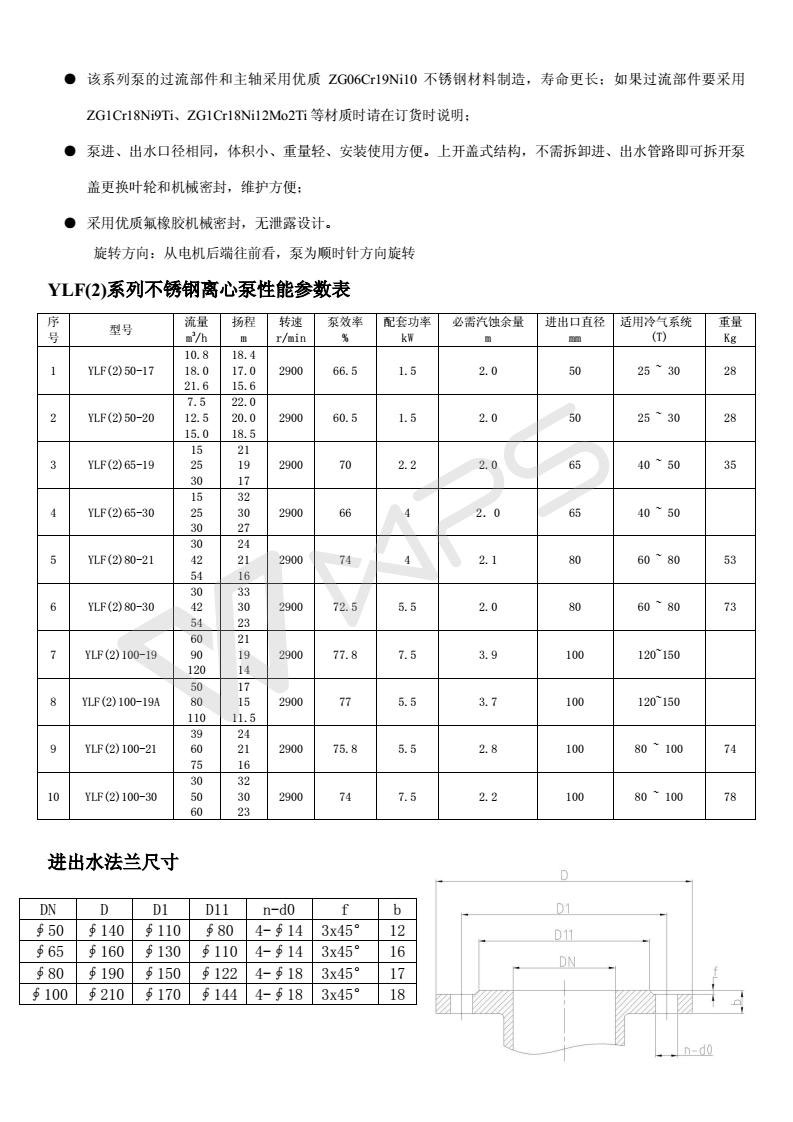
产品名称:YLF(2)系列不锈钢卧式管道泵 不锈钢耐腐蚀泵
产品简介:YLF(2)系列卧式不锈钢离心泵是我公司根据市场发展需求,采用崭新设计理念,研发的新一代节能,高效
产品。产品的设计符合国家 GB/T 5656 离心泵 技术条件(Ⅱ类)。其结构形式采用单级单吸直联式,使之结构更
紧凑,安装空间更节约,体积更小,重量轻。其主要特点:结构紧凑,高效节能,低噪音,坚固耐用,维修简单方便等。
用途:
主要用于抽输送常温物理化学性质类似于水的无腐蚀或轻腐蚀液体介质,广泛应用于生活供水、纯水系统
软饮料输送、医药输送、食品加工业,酿造厂和奶制品输送液体、海水养殖等行业及电镀、轻化工、污水处理等系统配套设备。