产品名称:YLLZ立式冷凝泵 管道泵 闭式水塔循环泵 大流量小扬程泵
产品简介:YLGZ型泵是单级单吸直联式离心泵,特别适用于蒸发式冷凝器的配套,亦可用于某些大流量、低扬程的场合,如工业和城市给排水、园林喷灌、暖通制冷循环、浴室等增压及设备配套。
本型泵主要供吸送稀释的、清洁的、不腐蚀的清水及物理化学性质类似水不含固体颗粒或纤维的液体。
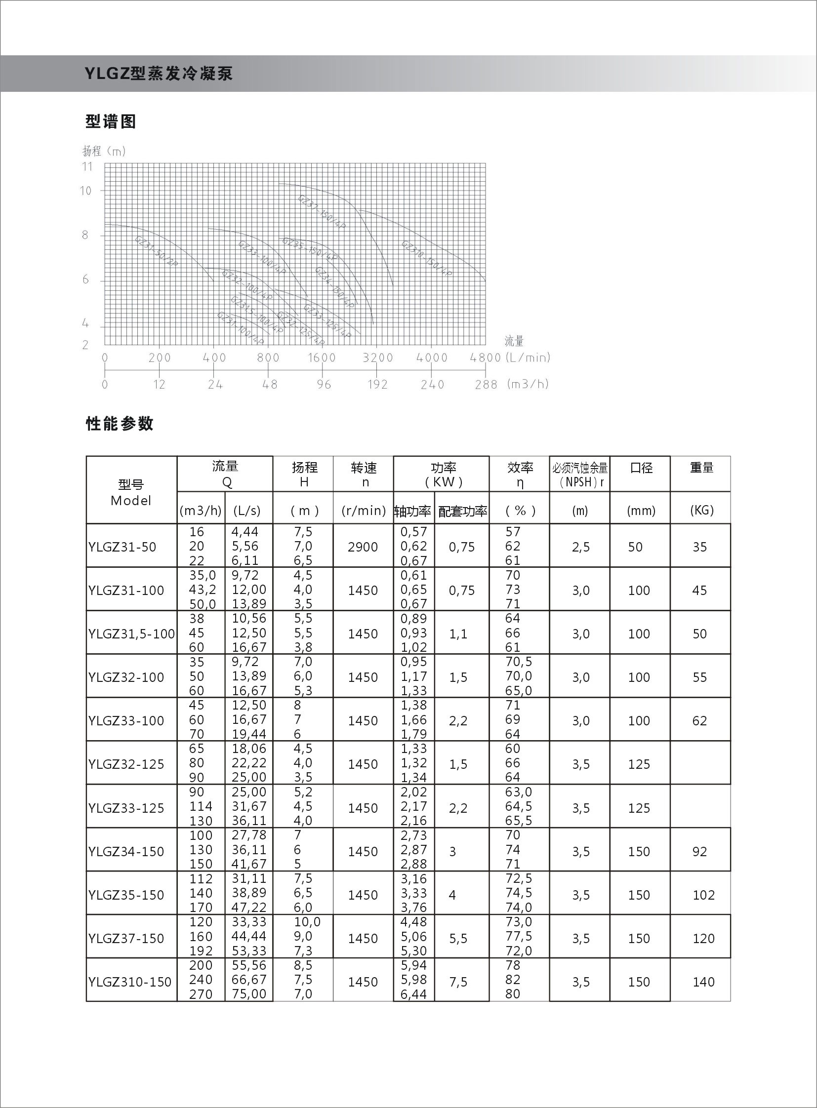
技术参数
流量范围:16~270 (m3/h)
扬程范围:3.5~10 (m)
口 径:50、100、125、150(㎜)
电机功率:0.75kW~7.5 (kW)
转 速:2900 /1450(r/min)
介质要求:≤80℃的清水或物理化学性质类似于水的液体
工作特点:电机功率相对小,使用流量大,寿命长
结构特点
•采用直联式结构,泵由电动机直接驱动,减少了备件的数量。涡室、进水法兰和出水法兰铸成
一个整体。
•采用水力和动力平衡的叶轮,悬臂式安装,过流部分采用多道变线设计,具有较高的吸水性能和
较高的效率,抗汽蚀能力强。
•采用优质机械密封,进口NSK轴承。
•电动机配用Y2型全封闭的风扇冷却的鼠笼式直联卧式电机。
•该型泵具有结构简单、性能可靠、体积小、重量轻、噪音低、抗汽蚀性能好、电耗低、使用维修
方便的特点。