产品名称:GDF(2)系列立式不锈钢管道泵 立式离心泵 废水输送泵 污水提升泵
产品简介:GDF(2)系列立式不锈钢离心泵是我公司根据 市场发展需求,采用崭新设计理念,研发的新一代 节能,高效产品。产品的设计符合国家 GB/T 5656 离心泵 技术条件(Ⅱ类)。其结构形式采用单级单 吸直联式,使之结构更紧凑,安装空间更节约,体 积更小,重量轻。其主要特点:结构紧凑,高效节 能,低噪音,坚固耐用,维修简单方便等。
用途:
主要用于抽输送常温物理化学性质类似于水的无腐蚀或轻腐蚀液体介质,广泛应用于生活供水、纯
水系统、软饮料输送、医药输送、食品加工业,酿造厂和奶制品输送液体、海水养殖等行业及电镀、轻
化工、污水处理等系统配套设备。
技术参数:
流量范围: 1.5~120 m3/h
扬程范围: 12~55 m
口 径: 25~100 ㎜
电机功率: 0.55 kW~11 kW
转 速:2800~ 2900 r/min
结构特点:
1 泵体 ZG06Cr19Ni10
2 叶轮 ZG06Cr19Ni10
3 轴封盒 ZG06Cr19Ni10
4 机械密封 SIC/CA/V
5 O 形橡胶密封圈 氟橡胶
6 Y2 系列立式电动机
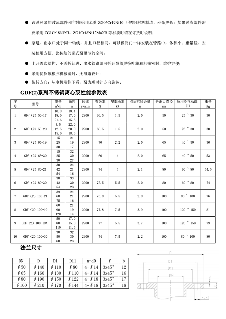
● 该系列泵的过流部件和主轴采用优质 ZG06Cr19Ni10 不锈钢材料制造,寿命更长;如果过流部件需
要采用 ZG1Cr18Ni9Ti、ZG1Cr18Ni12Mo2Ti 等材质时请在订货时说明;
● 泵进、出水口处于同一轴线,并且口径相同,可以像阀门一样安装在管路中,体积小、重量轻、安
装使用方便,比传统的卧式泵更节约空间;
● 上开盖式结构,不需拆卸进、出水管路即可拆开泵盖更换叶轮和机械密封,维护方便;
● 采用优质氟橡胶机械密封,无泄露设计;
● 旋转方向:从电机端往下看,泵为顺时针方向旋转。